Special Reducer for Welding Rotator
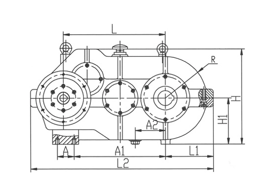
Welding Rotator Gearbox is developed for controlled rotation of cylindrical workpieces in fabrication setups. It maintains steady turning speed while transferring torque evenly across the drive system. The structure supports alignment with rotator wheels and adapts to different equipment layouts. Its gear arrangement allows consistent motion during long welding cycles, while maintaining balanced load distribution. This configuration supports stable rotation behavior when handling large vessels and varying workpiece weights.
Key Features
A dedicated gearbox solution developed for welding rotator systems, designed to support stable rotation, dependable load transmission, and reliable operation in fabrication environments where vessel handling and controlled turning performance matter.
🟢 Application-specific design – Developed for welding rotator systems rather than positioned as a generic reducer.
🟢 Stable turning support – Built to help maintain smooth, controlled rotation during welding and vessel handling operations.
🟢 Heavy-duty structure – Suitable for equipment layouts that require dependable load-bearing performance in industrial workshops.
🟢 Flexible integration – Can be matched to different rotator arrangements, machine configurations, and operating requirements.
🟢 Manufacturer-oriented supply – Suitable for OEM projects, replacement needs, and application-based discussion.
🟢 Customization support – Configuration can be discussed according to equipment design, workpiece range, and site requirements.
Welding Rotator Gearbox For Controlled Turning Systems
Welding rotator gearbox manages rotational movement for vessel handling by transferring torque through a gear set aligned with the drive wheels. The input motion converts into controlled turning speed, which keeps the workpiece rotating at a steady rate during welding processes.
Gear Structure For Stable Rotation And Load Control
- Gear transmission maintains consistent turning speed
- Torque distributes across drive components during rotation
- Structure aligns with rotator wheel positioning
- Output motion remains stable under varying load conditions
The gearbox directs rotational force toward the drive wheels, which then rotate the workpiece along its axis. This setup allows controlled turning without sudden speed variation. As the diameter or weight of the vessel changes, the system maintains steady motion through balanced torque distribution.
Instead of relying on high-speed rotation, the gearbox focuses on controlled low-speed output. This helps maintain welding accuracy, as the workpiece position remains consistent relative to the welding head. The gear arrangement supports smooth interaction between motion and load response.
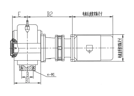
Integration depends on the layout of the rotator system. Shaft alignment, mounting position, and output direction can match different equipment designs. This flexibility allows the gearbox to adapt to varying structural configurations while maintaining stable rotation behavior.
Technical Information
Industry Applications
-
Food & Beverage Processing
Mixers, filling machines, bottling lines -
Packaging & Automation Equipment
Packaging lines, assembly machines, automated sorters -
Material Handling & Conveying
Conveyors, hoists, cranes, automated transfer systems -
Metalworking & Machine Tools
CNC machines, lathes, presses, milling machines
Browse our case studies or talk directly with our engineers to discuss your application.
Send Us Your Requirements
Looking for the right transmission solution for your equipment? Mingye Machinery provides professional support for selecting gear motors, gearboxes, and drive units, along with flexible OEM and product customization services.
Need Help Choosing the Right Gearbox?
- Product category or preferred model
- Key technical parameters (power, speed, transmission ratio, torque)
- Estimated order quantity
- Installation or equipment requirements
- OEM or special configuration needs




